ООО Промилк Технология — эксклюзивный партнёр Tamarack Biotics в России и СНГ · Связаться →
⭐ Эксклюзивный партнёр Tamarack Biotics
Холодная пастеризация — новая эра

УФ-пастеризация:
Будущее молочной
промышленности

Технология TruActive® от Tamarack Biotics — первая в мире холодная пастеризация молока методом ультрафиолетового излучения. Сохраняет биоактивные белки, уничтожает патогены эффективнее тепла, снижает затраты энергии до 90%.

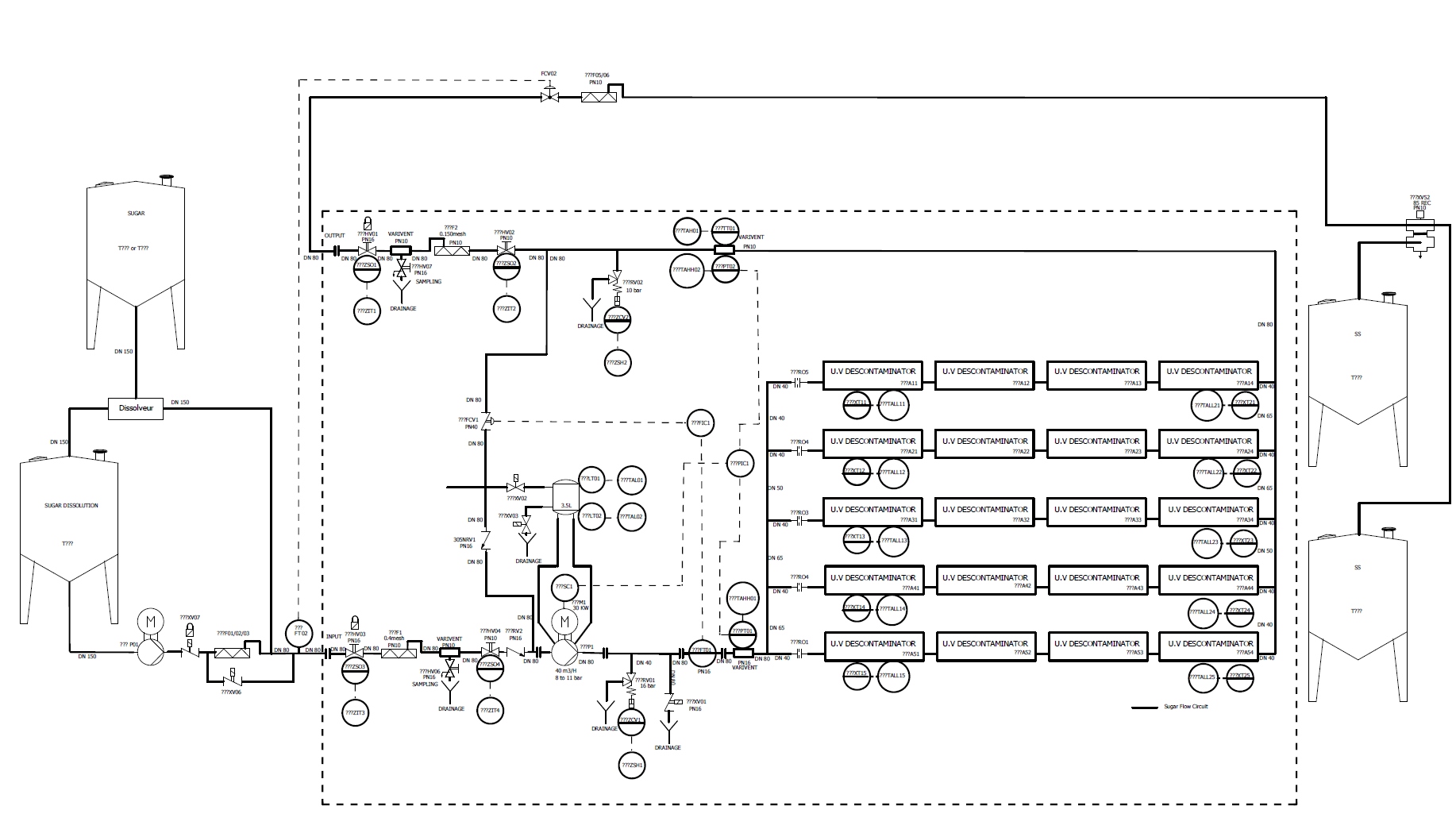
УФ-пастеризация молока — оборудование TruActive Tamarack Biotics
90%
Экономия энергии по сравнению с тепловой пастеризацией
120%
Рост иммунного ответа — клиническое исследование UC Davis
≥95%
Сохранение биоактивных белков молока
2016
Год начала промышленного внедрения систем Tamarack
🏆

ООО Промилк Технология — эксклюзивный партнёр Tamarack Biotics

Мы являемся эксклюзивным партнёром компании Tamarack Biotics (Португалия / США) по поставке и внедрению систем УФ-пастеризации TruActive® на территории России, Беларуси и стран СНГ. Tamarack активно сотрудничает с крупнейшими производителями молочных ингредиентов мира и поставляет оборудование с завода в Португалии. Мы обеспечиваем полное сопровождение проекта: от аудита производства до ввода в эксплуатацию.

Почему УФ — лучше тепловой пастеризации?

Традиционная тепловая пастеризация (HTST) разрушает ценные биоактивные белки молока. УФ-технология Tamarack обрабатывает молоко холодным методом — через тонкую турбулентную плёнку под воздействием ультрафиолетового излучения.

❌ Тепловая пастеризация (HTST)
Нагрев до 72–75°C
  • 🔴Денатурирует биоактивные белки молока
  • 🔴Разрушает иммунные протеины (IgA, IgM, LTF)
  • 🔴Высокое энергопотребление (пар + охлаждение)
  • 🔴Сильное загрязнение теплообменников
  • 🔴Большой расход химикатов CIP и воды
  • 🔴Уступает УФ по большинству патогенов
VS
✅ УФ-пастеризация TruActive®
Холодная обработка (~4°C)
  • 🟣Сохраняет ≥95% биоактивных белков
  • 🟣Иммунные протеины остаются активными
  • 🟣До 90% экономии энергии
  • 🟣Минимальное загрязнение — устранение CIP
  • 🟣Значительно меньше химикатов и воды
  • 🟣Более высокое снижение патогенов по LOG

Как работает система TruActive®

1

Подача молока тонкой турбулентной плёнкой

Молоко прокачивается через специальный канал в виде тонкой высокотурбулентной плёнки. Конструкция турбуляторов оптимизирована методом CFD-анализа для максимального контакта с УФ-излучением.

2

Воздействие ультрафиолетового излучения

УФ-лампы создают интенсивное излучение, которое разрушает ДНК патогенов без нагрева продукта. Каждая лампа оснащена УФ-датчиком и контролем балластного тока — непрерывная регистрация данных.

3

Автоматический контроль и отклонение

Система «врезать/вырезать и отклонять» полностью автоматизирована. Соответствует стандартам Coca-Cola и системе HACCP. Ежеквартальные инспекции по установленным процедурам.

4

Готовый продукт с сохранёнными белками

На выходе — пастеризованное молоко с полностью сохранёнными биоактивными белками, без нагрева и без изменения вкусовых характеристик. Неденатурированные белки снижают вязкость, что улучшает мембранное разделение.

Сохранение белков: УФ против тепла

Тепловая пастеризация денатурирует наиболее биологически активные белки молока. УФ-технология сохраняет их практически полностью.

Сохранение биоактивных белков (%)
УФ-пастеризация TruActive®
~95%
Тепловая пастеризация (HTST)
~38%
UHT (ультравысокая темп.)
~12%

По данным клинических и научных исследований Tamarack Biotics и публикациям в рецензируемых журналах

Ключевые биоактивные белки, сохраняемые УФ-технологией

IgA / IgM — Иммуноглобулины
Критически важны для адаптивной иммунной системы: распознают и нейтрализуют чужеродные антигены, активируя комплементную систему.
LTF — Лактоферрин
Обладает антимикробными, противовирусными, антиоксидантными и иммуномодуляторными свойствами. Один из наиболее термочувствительных белков.
PIGR — Полимерный Ig-рецептор
Транспортирует антитела (IgA и IgM) через эпителиальные клетки, особенно в кишечнике — основа мукозального иммунитета.
CD59 — Гликопротеин
Защищает клетки от атаки, опосредованной комплементом. Ключевой элемент врождённой иммунной защиты.
C3 — Белок комплемента
Помогает уничтожать патогенные бактерии и вирусы. Ключевой белок системы комплемента иммунной системы.
Serpin — Серпины
Регулируют свёртывание крови, воспаление и иммунный ответ. Синергетический эффект с другими белками клинически доказан.

Доказанная польза для здоровья

🎓
Клиническое исследование — Калифорнийский университет в Дэвисе
Иммунный ответ на вакцину у пожилых людей · 28 участников · 8 недель · doi: 10.3389/fimmu.2018.02254

Исследование сравнивало TruActive® WPC 85 с термически пастеризованным сывороточным протеином по выработке антител к вакцине. Участники употребляли 7,5 г белка или соевый протеин; измерялись уровни антител к столбняку после 8 недель.

+120%
TruActive® — рост антител к вакцине
+17%
Тепловая пастеризация — рост антител

Биоактивные белки, ответственные за иммунитет у младенцев, восстанавливают иммунную функцию у пожилых людей — схожий механизм инициации.

🔬
Профилактика аллергий
Mayo Clinic · Исследования ALEX, PASTURE, GABRIEL

Mayo Clinic (Аризона) завершила исследование: УФ WPC 80 обеспечивает защитный эффект против аллергии на арахис на мышиной модели. Nestle спонсирует продолжение исследований. Европейские исследования показали: потребление молока с сохранёнными биоактивными белками значительно снижает риск астмы, экземы и пищевой аллергии у детей.

🏥
Лечение «дырявого кишечника»
VA Hospital · Щелочная фосфатаза

Исследователь VA Hospital, изучающий способность щелочной фосфатазы улучшать целостность эпителиальных стенок кишечника, тестировал TruActive® WPC 80 и получил значительно лучшие результаты. Синергия между биоактивными белками молока, вероятно, объясняет повышенную пользу. Исследование расширяется на несколько площадок.

Научные данные и сравнительный анализ

Сравнительные данные исследований УФ-пастеризации TruActive — протоколы и результаты
Сравнительные данные клинических исследований и протоколов испытаний системы TruActive® · Tamarack Biotics

УФ уничтожает патогены эффективнее тепла

Данные сравнения снижения Log-уровня патогенов при HTST и УФ-обработке. По большинству опасных бактерий УФ значительно превосходит тепловую пастеризацию.

Патоген HTST (тепло) — снижение Log УФ TruActive® — снижение Log Преимущество
M. avium paratuberculosis (MAP) 3–4 7.0 УФ в 2× лучше
Listeria monocytogenes 6.8 16.3 УФ в 2.4× лучше
Staphylococcus aureus 13.6 33.7 УФ в 2.5× лучше
Cronobacter Sakazakii 12.5 16.3 УФ в 1.3× лучше
Shiga-toxin E. coli 30.0 14.1 Сопоставимо
Campylobacter spp. >15 30.6 УФ в 2× лучше
Yersinia enterocolitica 8.0 25.7 УФ в 3.2× лучше
H5N1 (птичий грипп) 5.8 7.5 УФ в 1.3× лучше

Источник: сравнительные данные Tamarack Biotics на основе независимых лабораторных испытаний

Значительная экономия энергии и ресурсов

УФ-технология устраняет необходимость в нагреве и интенсивном охлаждении, сокращает загрязнение оборудования и потребление химикатов CIP.

до 90%
Экономия электроэнергии
По сравнению с паром и электричеством для тепловой пастеризации. Нет затрат на нагрев и последующее охлаждение.
🌡️
Ниже °C
Температура сушки распылением
Неденатурированные белки снижают вязкость, что улучшает мембранное разделение. Больше твёрдых веществ после обратного осмоса позволяет сушить при меньшей температуре.
💧
Значительно
Снижение расхода воды
Устранение загрязнения при УФ-обработке значительно сокращает количество циклов CIP и расход технической воды на промывку.
🧪
Меньше
Расход химикатов CIP
Минимальное отложение белков на поверхностях означает реже требуемые и менее химически интенсивные мойки. Снижение экологической нагрузки.

Три ключевых преимущества

🧬
Питательнее
Сохраняет биоактивные белки сырого молока — доказанная польза для иммунитета, профилактика аллергий у детей. Белки, ответственные за иммунитет у младенцев, восстанавливают иммунную функцию у пожилых людей.
🌱
Устойчивее
До 90% экономии энергии (пар и охлаждение), более низкие температуры сушки распылением. Значительное снижение химикатов CIP и потребления воды благодаря устранению загрязнения.
🛡️
Безопаснее
Более высокое снижение уровня патогенов по log10, особенно MAP (возбудитель болезни Йоне). Системы Tamarack соответствуют строгим стандартам Coca-Cola. Успешное применение с 2016 года.

Глобальное регуляторное одобрение

Tamarack активно работает с регуляторами по всему миру для получения разрешений на применение УФ-пастеризации.

🇺🇸
США — FDA
FDA выдало «письмо без возражений» (No Objection Letter) для УФ-пастеризации обезжиренного молока. Сотрудничество с FDA для внесения поправок в PMO к апрелю 2027 года.
🇪🇺
ЕС — EFSA
Ирландское DAFM спонсировало презентацию для комитета PAFF ЕС. Полное одобрение для замены термической обработки, особенно для переработки сыворотки. Одобрение на основе принципов HACCP.
🌏
Китай
Планирование одобрения совместно с китайским партнёром. Глобальный опыт работы с регуляторами в разных юрисдикциях.
🏭
Промышленные стандарты
Системы Tamarack соответствуют строгим стандартам Coca-Cola. Патентная защита технологий. Успешное промышленное внедрение с 2016 года.
🔬
GRAS статус
GRAS (Generally Recognized as Safe) с 2017 года. История безопасного применения УФ с 1920–30-х годов для лечения рахита у миллионов детей.
🇵🇹
Производство
Оборудование производится на заводе Tamarack в Португалии. Поставки по всему миру. Tamarack сотрудничает с крупнейшими производителями молочных ингредиентов.
⭐ ООО Промилк Технология — эксклюзивный партнёр в СНГ

Готовы внедрить УФ-пастеризацию на вашем производстве?

Свяжитесь с нами для получения персонального технико-коммерческого предложения, аудита производства и консультации по внедрению системы TruActive® от Tamarack Biotics.

Получить КП info@promilk.by +375 29 827 00 00
Промилк Технология
На связи сейчас
П
Здравствуйте! 👋 Я помогу вам подобрать оборудование для молочного производства. Что вас интересует?